Ustawienie zaworów w ciągniku Ursus C-360 jest kluczowym krokiem dla zapewnienia prawidłowego działania silnika. Właściwe regulacje pozwalają na optymalizację wydajności oraz zmniejszenie zużycia paliwa. Proces ten wymaga precyzyjnych działań i znajomości kilku podstawowych zasad. W tym artykule przedstawimy szczegółowe instrukcje, które pomogą uniknąć powszechnych błędów podczas regulacji zaworów.
Przygotowanie do regulacji jest równie ważne jak sama procedura. Zrozumienie kolejności zapłonu oraz zastosowanie metody "mijanka" ułatwi cały proces. Warto również znać odpowiednie wartości luzów zaworowych, aby zapewnić optymalne działanie silnika. Dzięki tym informacjom, każdy właściciel Ursusa C-360 będzie mógł samodzielnie przeprowadzić regulację, co przyczyni się do dłuższej żywotności maszyny.
Kluczowe informacje:
- Przygotuj silnik, upewniając się, że jest zimny, a akumulator odłączony.
- Ustal kolejność zapłonu: 1-3-4-2.
- Stosuj metodę "mijanka" do ustawiania zaworów, obracając wał korbowy.
- Ustaw luz zaworowy: 0.18 - 0.22 mm dla zaworów ssących, 0.28 - 0.32 mm dla zaworów wydechowych.
- Po zakończeniu regulacji, sprawdź ponownie wszystkie ustawienia.
Jak poprawnie ustawić zawory w Ursus C-360 dla lepszego działania silnika
Ustawienie zaworów w ciągniku Ursus C-360 jest kluczowe dla optymalnej wydajności silnika. Odpowiednie regulacje pozwalają na lepsze spalanie paliwa, co przekłada się na mniejsze zużycie oraz dłuższą żywotność jednostki napędowej. Bez właściwego ustawienia zaworów, silnik może pracować nieefektywnie, co prowadzi do problemów z mocą oraz zwiększonego zużycia paliwa.
Aby przygotować się do regulacji zaworów, należy przejść przez kilka kroków. Po pierwsze, upewnij się, że silnik jest zimny, co jest niezbędne do dokładnego pomiaru luzów zaworowych. Następnie odłącz akumulator oraz zdejmij pokrywę zaworów, aby uzyskać dostęp do mechanizmu. Takie przygotowanie jest kluczowe, aby uniknąć uszkodzeń oraz zapewnić bezpieczeństwo podczas pracy.
Krok po kroku: Przygotowanie do regulacji zaworów w C-360
Bezpieczeństwo jest najważniejsze podczas regulacji zaworów. Zawsze pamiętaj o wyłączeniu silnika i odłączeniu akumulatora, zanim zaczniesz jakiekolwiek prace. To nie tylko zapobiegnie przypadkowemu uruchomieniu silnika, ale także ochroni Ciebie przed porażeniem elektrycznym. Dobrze jest również nosić odpowiednie rękawice ochronne, aby chronić dłonie przed ostrymi krawędziami.
Kolejnym krokiem jest sprawdzenie stanu silnika. Upewnij się, że wszystkie elementy są w dobrym stanie, a w szczególności zwróć uwagę na czystość komory zaworowej. Zanieczyszczenia mogą wpływać na działanie zaworów, dlatego warto je usunąć przed przystąpieniem do regulacji. Dobrze jest również sprawdzić poziom oleju, aby zapewnić odpowiednie smarowanie podczas pracy silnika.
Nie zapomnij o znaczeniu czystego miejsca pracy. Utrzymanie porządku w warsztacie nie tylko ułatwia pracę, ale także minimalizuje ryzyko zgubienia narzędzi lub części. Przed przystąpieniem do regulacji zaworów, zorganizuj swoje narzędzia i materiały, aby mieć je pod ręką. To pozwoli Ci skupić się na zadaniu i wykonać je sprawnie.
Narzędzia i materiały potrzebne do regulacji zaworów
Aby prawidłowo ustawić zawory w C-360, konieczne jest posiadanie odpowiednich narzędzi i materiałów. Właściwe wyposażenie pozwala na dokładną i bezpieczną regulację, co jest kluczowe dla efektywności silnika. Oto lista niezbędnych narzędzi oraz ich zastosowanie:
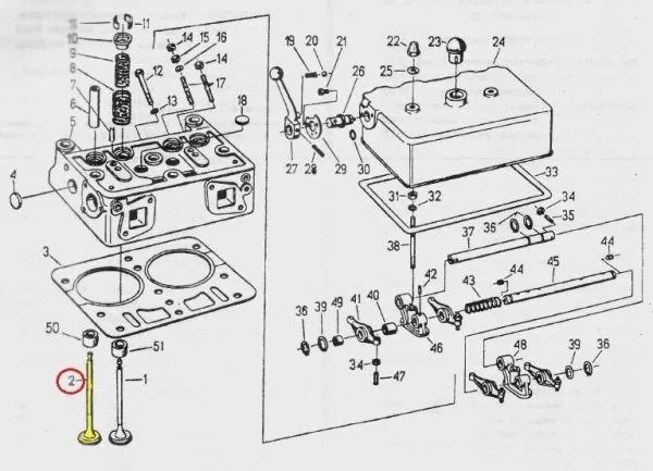
- Feeler gauge - przyrząd do pomiaru luzów zaworowych. Umożliwia precyzyjne sprawdzenie, czy ustawienia mieszczą się w zalecanych wartościach (0.18 - 0.22 mm dla zaworów ssących i 0.28 - 0.32 mm dla zaworów wydechowych).
- Zestaw kluczy nasadowych - niezbędny do odkręcania i zakręcania śrub pokrywy zaworów oraz innych elementów silnika. Można użyć zestawu marki Wera lub Gedore, które są znane z wysokiej jakości wykonania.
- Śrubokręt - przydatny do demontażu i montażu drobnych elementów. Warto mieć zarówno płaski, jak i krzyżakowy, aby ułatwić sobie pracę.
- Klucz dynamometryczny - pozwala na precyzyjne dokręcanie śrub do określonego momentu, co jest istotne dla zachowania właściwych ustawień zaworów.
- Podkładki i uszczelki - nowe uszczelki do pokrywy zaworów powinny być zawsze używane podczas ponownego montażu, aby zapobiec wyciekom oleju.
Dokładny proces ustawiania zaworów: instrukcje krok po kroku
Aby prawidłowo ustawić zawory w Ursusie C-360, należy postępować zgodnie z poniższymi krokami. Zacznij od upewnienia się, że silnik jest zimny, a akumulator odłączony. Następnie zdejmij pokrywę zaworów, aby uzyskać dostęp do mechanizmu. Pamiętaj, aby zawsze pracować w bezpiecznym i czystym środowisku.
Po przygotowaniu silnika, ustal kolejność zapłonu, która dla Ursusa C-360 wynosi 1-3-4-2. Użyj metody "mijanka", aby znaleźć punkt, w którym zawór ssący pierwszego cylindra zaczyna się otwierać, a zawór wydechowy zaczyna się zamykać. Obróć wał korbowy, aż osiągniesz ten punkt, a następnie oznacz go na pasku rozrządu lub kole.
Kiedy jesteś w punkcie "mijanka" dla cylindra pierwszego, ustaw luz zaworowy dla zaworów ssących i wydechowych. Użyj feeler gauge, aby upewnić się, że luz mieści się w zalecanym zakresie. Po ustawieniu luzu dla cylindra pierwszego, obróć wał korbowy o pełny obrót (360 stopni), aby ustawić zawory dla cylindra drugiego. Powtórz ten proces dla cylindrów trzeciego i czwartego, zgodnie z ustaloną kolejnością zapłonu.
Na koniec, sprawdź ponownie wszystkie ustawienia, aby upewnić się, że luz zaworowy jest w odpowiednich granicach. Po zakończeniu regulacji, zainstaluj ponownie pokrywę zaworów i podłącz akumulator. Pamiętaj, że dokładność podczas ustawiania zaworów jest kluczowa dla prawidłowego działania silnika.
Wskazówki dotyczące sprawdzania luzów zaworowych w silniku
Aby skutecznie sprawdzić luz zaworowy, użyj feeler gauge, który pozwala na dokładny pomiar. Włóż feeler gauge między zawór a dźwignię zaworową. Powinieneś odczuć opór, ale nie powinno być zbyt trudne. Jeśli luz jest zbyt mały lub zbyt duży, konieczne będzie dostosowanie go podczas regulacji.
Zalecane wartości luzów zaworowych dla Ursusa C-360 to: 0.18 - 0.22 mm dla zaworów ssących oraz 0.28 - 0.32 mm dla zaworów wydechowych. Utrzymanie tych wartości jest kluczowe dla prawidłowego działania silnika, ponieważ niewłaściwe ustawienia mogą prowadzić do uszkodzenia silnika lub obniżonej wydajności. Regularne sprawdzanie luzów zaworowych pomoże w utrzymaniu optymalnej pracy silnika.

Najczęstsze błędy podczas regulacji zaworów i ich unikanie
Podczas regulacji zaworów w Ursusie C-360 mogą wystąpić różne błędy, które mogą negatywnie wpłynąć na działanie silnika. Najczęstsze błędy obejmują: niewłaściwe ustawienie luzów zaworowych, pominięcie kroków w procesie regulacji, oraz użycie nieodpowiednich narzędzi. Takie niedopatrzenia mogą prowadzić do nieprawidłowego działania silnika, zwiększonego zużycia paliwa oraz przyspieszonego zużycia części.
Aby rozpoznać te błędy, zwróć uwagę na objawy, takie jak nieprawidłowe dźwięki silnika, spadek mocy, a także trudności w uruchomieniu. Często silnik może pracować głośniej niż zwykle lub wydawać stuki, co może sugerować, że zawory są źle ustawione. Ponadto, jeśli zauważysz, że silnik nie osiąga optymalnej temperatury roboczej, może to być oznaką problemów z regulacją zaworów.
Aby naprawić te problemy, należy dokładnie przeanalizować proces regulacji zaworów, upewniając się, że każdy krok został wykonany prawidłowo. Używaj odpowiednich narzędzi, takich jak feeler gauge, aby dokładnie zmierzyć luz zaworowy. Regularne kontrole i konserwacja pomogą również w utrzymaniu silnika w dobrym stanie. W przypadku wątpliwości, warto skonsultować się z fachowcem, aby uniknąć dalszych problemów.
Problemy z ustawieniem zaworów: jak je rozpoznać i naprawić
Nieprawidłowe ustawienie zaworów może prowadzić do wielu problemów w silniku. Objawy niewłaściwej regulacji obejmują szereg nieprawidłowości, jak spadek mocy, nierówna praca silnika, a także zwiększone zużycie paliwa. Dodatkowo, mogą wystąpić trudności w uruchomieniu silnika oraz nieprzyjemne dźwięki podczas pracy.
W celu diagnostyki problemów z zaworami, warto zwrócić uwagę na dźwięki dochodzące z silnika oraz na jego ogólną wydajność. Jeśli silnik pracuje głośniej niż zwykle lub występują wibracje, może to wskazywać na niewłaściwe ustawienie luzów zaworowych. Dobrze jest również monitorować temperaturę silnika; jeśli jest zbyt wysoka, może to być efektem złej regulacji.
Aby naprawić problemy z ustawieniem zaworów, należy przeprowadzić ponowną regulację, stosując się do zalecanych wartości luzów. Użycie feeler gauge do pomiaru luzów zaworowych jest kluczowe, aby upewnić się, że mieszczą się one w odpowiednich granicach. Jeśli problemy nadal występują, warto zasięgnąć porady specjalisty, który pomoże w dokładnej diagnostyce i ewentualnej naprawie.
Znaczenie regularnej konserwacji zaworów dla wydajności silnika
Regularna konserwacja zaworów jest kluczowa dla optymalnej wydajności silnika w ciągniku Ursus C-360. Dzięki systematycznemu sprawdzaniu i regulacji luzów zaworowych, można uniknąć wielu problemów, które mogą prowadzić do uszkodzenia silnika. Dobrze utrzymane zawory zapewniają prawidłowe spalanie paliwa, co przekłada się na lepszą moc oraz mniejsze zużycie paliwa.
Konserwacja zaworów wpływa również na żywotność silnika. Zbyt duże lub zbyt małe luzowanie zaworów może prowadzić do ich przedwczesnego zużycia oraz uszkodzenia innych elementów silnika. Regularne kontrole pozwalają na wczesne wykrycie problemów, co z kolei zmniejsza ryzyko kosztownych napraw w przyszłości. Dlatego warto dbać o regularne przeglądy i konserwację.
Jak skutecznie dbać o zawory
Aby skutecznie utrzymywać zawory w dobrym stanie, należy przeprowadzać regularne kontrole luzów zaworowych. Zaleca się sprawdzanie ich co 100 godzin pracy lub przynajmniej raz w roku. Użycie feeler gauge do pomiaru luzów jest kluczowe dla zapewnienia ich odpowiednich wartości. Warto również zwrócić uwagę na czystość komory zaworowej, aby uniknąć zanieczyszczeń, które mogą wpływać na działanie zaworów.
W przypadku stwierdzenia jakichkolwiek nieprawidłowości, takich jak nietypowe dźwięki silnika czy spadek mocy, warto natychmiast przeprowadzić diagnostykę. Wczesne wykrycie problemów pozwala na szybką reakcję i zapobiega dalszym uszkodzeniom. Regularna konserwacja i monitorowanie stanu zaworów to klucz do długotrwałej i efektywnej pracy silnika.
Czytaj więcej: Jak podłączyć zawór czterodrożny - uniknij najczęstszych błędów
Jak technologia wpływa na konserwację zaworów w C-360
W dzisiejszych czasach, technologia odgrywa coraz większą rolę w konserwacji silników, w tym także w regulacji zaworów w ciągnikach takich jak Ursus C-360. Wykorzystanie nowoczesnych narzędzi diagnostycznych, takich jak skanery OBD-II, może znacznie ułatwić identyfikację problemów związanych z zaworami. Dzięki zintegrowanym systemom monitorowania, rolnicy mogą na bieżąco śledzić parametry silnika i uzyskiwać cenne informacje o jego stanie, co pozwala na szybsze reagowanie na potencjalne usterki.
Co więcej, automatyzacja procesów konserwacji, jak na przykład zastosowanie inteligentnych czujników do pomiaru luzów zaworowych, może zrewolucjonizować sposób, w jaki przeprowadzamy regulacje. Takie technologie nie tylko zwiększają dokładność pomiarów, ale także minimalizują ryzyko błędów ludzkich. W przyszłości, integracja takich rozwiązań z systemami zarządzania flotą pojazdów rolniczych może prowadzić do jeszcze efektywniejszej eksploatacji sprzętu, co z pewnością przyniesie korzyści w postaci oszczędności czasu i kosztów. Warto zatem śledzić rozwój technologii, aby w pełni wykorzystać ich potencjał w codziennej pracy.
