
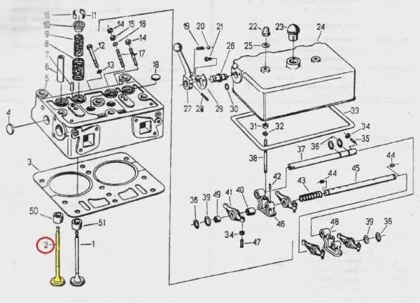
Jak ustawić zawory c 330, aby uniknąć kosztownych napraw silnika
Dowiedz się, jak ustawić zawory c 330, aby zapewnić prawidłowe działanie silnika i uniknąć kosztownych napraw. Sprawdź nasze praktyczne wskazówki!
Jak ustawić zawory c 330, aby uniknąć kosztownych napraw silnika
Dowiedz się, jak ustawić zawory c 330, aby zapewnić prawidłowe działanie silnika i uniknąć kosztownych napraw. Sprawdź nasze praktyczne wskazówki!